M12 Analog Proximity Switch

Features

Provides accurate linear distance measurement via 0-10V voltage or 0-20mA current outputs, rather than simple on/off switching.
Features precise linear ranges of 0-2mm (Flush) and 1-4mm (Non-flush) for measuring gaps, displacement, or thickness.
Housed in durable Nickel-plated Brass, offering superior mechanical strength and corrosion resistance compared to plastic sensors.
Designed with Reverse Polarity and Surge protection to safeguard the sensor and control systems against electrical faults.
Reference Price
US$1.5-30
Prices vary depending on the configuration; please consult customer service for details.

Product Introduction

This Analog Inductive Sensor is engineered for precise distance measurement and continuous position monitoring tasks where simple proximity switches are insufficient. It converts the distance of a metallic target into a proportional linear analog signal, available in either 0-10V or 0-20mA outputs.

With a measuring range of 0-2mm (Flush) or 1-4mm (Non-flush), it is ideal for applications such as dancer arm control, eccentricity monitoring, and material thickness measurement. The sensor is enclosed in a rugged Nickel-plated Brass housing with an IP67 rating, ensuring reliable performance in harsh industrial environments (-25°C to +70°C). Comprehensive protection against reverse polarity and voltage surges guarantees safe integration into your automation control system.

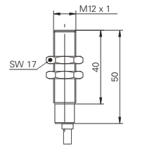
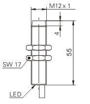
Size and Structure

Circuit diagram

微信图片_20251120145437_20_58

Parameter Specification
Mounting Flush / Non-flush
Linear Measuring Range Flush: 0 ... 2 mm / Non-flush: 1 ... 4 mm
Operating Voltage 10 ... 30 VDC
Output Signal Analog (0-10V / 0-20mA)
Linearity Error (Accuracy) ≤ 10%
Circuit Protection Reverse Polarity / Surge Protection
Housing Material Nickel-plated Brass
Ambient Temperature -25°C ... +70°C
Protection Degree IP67
Connection 2m PVC Cable